PHẦN I. Thí sinh trả lời từ câu 1 đến câu 18. Mỗi câu hỏi thí sinh chỉ chọn một phương án.
Câu 1 [709751]: Phát biểu nào sau đây là sai khi nói về chất lỏng?
A, Chất lỏng không có thể tích riêng xác định.
B, Các nguyên tử, phân tử cũng dao động quanh các vị trí cân bằng, nhưng những vị trí cân bằng này không cố định mà di chuyển.
C, Lực tương tác giữa các phân tử chất lỏng lớn hơn lực tương tác giữa các nguyên tử, phân tử chất khí và nhỏ hơn lực tương tác giữa các nguyên tử, phân tử chất rắn.
D, Chất lỏng không có hình dạng riêng mà có hình dạng của phần bình chứa nó.
Khi nói về chất lỏng, chất lỏng có thể tích riêng nhưng không có hình dạng riêng mà có hình dạng của phần bình chứa nó. Các nguyên tử, phân tử cũng dao động quanh các vị trí cân bằng, nhưng những vị trí cân bằng này không cố định mà di chuyển. Lực tương tác giữa các phân tử chất lỏng lớn hơn lực tương tác giữa các nguyên tử, phân tử chất khí và nhỏ hơn lực tương tác giữa các nguyên tử, phân tử chất rắn.
Chọn A Đáp án: A
Chọn A Đáp án: A
Câu 2 [709752]: Nhiệt độ của hơi nước đang sôi theo nhiệt giai Fahrenheit là
A, 

B, 

C, 

D, 

Nhiệt độ của hơi nước đang sôi theo nhiệt giai Fahrenheit là 
Chọn A Đáp án: A

Chọn A Đáp án: A
Câu 3 [709753]: Đơn vị nào sau đây là đơn vị của nhiệt nóng chảy riêng của vật rắn?
A, Jun trên kilôgam độ (J/kg. độ).
B, Jun trên kilôgam (J/kg).
C, Jun (J).
D, Jun trên độ (J/độ).
Đơn vị của nhiệt nóng chảy riêng của vật rắn là Jun trên kilôgam (J/kg).
Chọn B Đáp án: B
Chọn B Đáp án: B
Câu 4 [709754]: Một lượng chất rắn đã nghiền nát được nung nóng và sự thay đổi nhiệt độ T theo thời gian t của nó được thể hiện ở hình vẽ.

Nếu cùng một lò sưởi được sử dụng để nung nóng một lượng nhỏ hơn của chất rắn, thì đồ thị nào sau đây (bằng đường nét đứt) thể hiện phù hợp nhất sự thay đổi nhiệt độ của chất rắn?

Nếu cùng một lò sưởi được sử dụng để nung nóng một lượng nhỏ hơn của chất rắn, thì đồ thị nào sau đây (bằng đường nét đứt) thể hiện phù hợp nhất sự thay đổi nhiệt độ của chất rắn?
A,
.
.B,
.
.C,
.
.D,
.
.
Công thức tính nhiệt lượng: 
Khi nung nóng một lượng nhỏ hơn của chất rắn, chất rắn sẽ đạt đến nhiệt độ nóng chảy sớm hơn, nhiệt độ nóng chảy của chất rắn là không đổi.
Công thức tính nhiệt lượng cho vật nóng chảy
Khối lượng chất rắn giảm đi nên thời gian chuyển pha của chất cũng sẽ giảm đi.
Chọn C Đáp án: C

Khi nung nóng một lượng nhỏ hơn của chất rắn, chất rắn sẽ đạt đến nhiệt độ nóng chảy sớm hơn, nhiệt độ nóng chảy của chất rắn là không đổi.
Công thức tính nhiệt lượng cho vật nóng chảy

Khối lượng chất rắn giảm đi nên thời gian chuyển pha của chất cũng sẽ giảm đi.
Chọn C Đáp án: C
Câu 5 [709755]: Để xác định nhiệt nóng chảy riêng của thiếc, người ta đổ mth = 350 g thiếc nóng chảy ở nhiệt độ t2 = 232°C vào mn = 330 g nước ở t1 = 7°C đựng trong một nhiệt lượng kế có nhiệt dung bằng Cnlk = 100 J/K. Sau khi cân bằng nhiệt, nhiệt độ của nước trong nhiệt lượng kế là t2 = 32°C. Biết nhiệt dung riêng của nước là cn = 4,2 J/g.K, của thiếc rắn là Cth = 0,23 J/g.K. Nhiệt nóng chảy riêng của thiếc gần giá trị nào nhất sau đây?
A, 60 J/g.
B, 73 J/g.
C, 89 J/g.
D, 96 J/g.
Phương trình cân bằng nhiệt: Qtỏa = Qthu
Qtỏa là nhiệt lượng thiếc nóng chảy tỏa ra để chuyển pha và giảm nhiệt độ.
Qthu là nhiệt lượng mà nước và nhiệt lượng kế nhận để tăng nhiệt.
Ta có:

Chọn A Đáp án: A
Qtỏa là nhiệt lượng thiếc nóng chảy tỏa ra để chuyển pha và giảm nhiệt độ.
Qthu là nhiệt lượng mà nước và nhiệt lượng kế nhận để tăng nhiệt.
Ta có:


Chọn A Đáp án: A
Câu 6 [709756]: Tính chất nào sau đây không phải là của chất khí
A, Chiếm toàn bộ thể tích của bình chứa.
B, Dễ nén.
C, Có khối lượng riêng nhỏ so với chất rắn và chất lỏng.
D, Không được cấu tạo từ các phân tử, nguyên tử.
Chất khí chiếm toàn bộ thể tích của bình chứa, dễ nén, có khối lượng riêng nhỏ so với chất rắn và chất lỏng, cấu tạo từ các phân tử, nguyên tử.
Chọn D Đáp án: D
Chọn D Đáp án: D
Câu 7 [709757]: Quá trình biến đổi trạng thái của một lượng khí xác định được biểu diễn bằng đồ thị hình vẽ. Áp suất của chất khí tại trạng thái (2) bằng bao nhiêu atm?
A, 2 atm.
B, 3 atm.
C, atm.
D, 5 atm.
Quá trình biến đổi trạng thái là quá trình đẳng nhiệt. Ta có phương trình: 

Chọn A Đáp án: A


Chọn A Đáp án: A
Câu 8 [709758]: Khối lượng riêng của một chất khí bằng 6. 10-2 kg/m3, vận tốc căn quân phương của chúng là 500 m/s. Áp suất mà khí đó tác dụng lên thành bình là
A, 10 Pa.
B, 104 Pa.
C, 10 N/m2.
D, 5. 103 Pa.
Vận tốc căn quân phương của chất khí là: 
Áp suất mà khí đó tác dụng lên thành bình là 
Chọn D Đáp án: D

Áp suất mà khí đó tác dụng lên thành bình là 
Chọn D Đáp án: D
Câu 9 [709759]: Một bình chứa Oxygen nén ở áp suất
và nhiệt độ
có khối lượng (bình và khí) là
. Dùng khí một thời gian, áp suất khí là
ở nhiệt độ
khối lượng bình và khí là
Biết khối lượng mol của oxygen là
Hỏi khối lượng khí còn lại trong bình là bao nhiêu? Tính dung tích V của bình?
và nhiệt độ
có khối lượng (bình và khí) là
. Dùng khí một thời gian, áp suất khí là
ở nhiệt độ
khối lượng bình và khí là
Biết khối lượng mol của oxygen là
Hỏi khối lượng khí còn lại trong bình là bao nhiêu? Tính dung tích V của bình? A, 0,58 kg; 8,5 lít.
B, 0,85 kg; 4,8 lít.
C, 5 kg; 7 lít.
D, 3,7 kg; 15 lít.
Gọi
là khối lượng bình.
Theo phương trình Clapeyron:
Tại thời điểm ban đầu ta có:

Sau một thời gian sử dụng ta có:

Thể tích bình là không đổi nên ta có:
Khối lượng bình là:
Khối lượng khí còn lại sau khi dùng là:
Dung tích V của bình là:
Chọn A Đáp án: A
là khối lượng bình.Theo phương trình Clapeyron:

Tại thời điểm ban đầu ta có:


Sau một thời gian sử dụng ta có:


Thể tích bình là không đổi nên ta có:

Khối lượng bình là:
Khối lượng khí còn lại sau khi dùng là:

Dung tích V của bình là:

Chọn A Đáp án: A
Câu 10 [709760]: Chỉ ra câu sai?
A, Các đường mạt sắt của từ phổ cho biết dạng của đường sức từ.
B, Các đường sức từ của từ trường đều là những đường thẳng song song, cách đều nhau.
C, Các đường sức từ là những đường cong không kín.
D, Tại mỗi điểm trong từ trường, chỉ có thể vẽ được một và chỉ một đường sức từ đi qua.
Các đường sức từ là những đường cong kín hoặc đường thẳng song song khi là từ trường đều.
Chọn C Đáp án: C
Chọn C Đáp án: C
Câu 11 [709761]: Một học sinh tịnh tiến một nam châm đến gần một cuộn dây dẫn như hình vẽ. Cuộn dây được nối với một ampe kế nhạy. Thay đổi nào sau đây không làm tăng số chỉ của ampe kế?
A, Tăng số vòng của cuộn dây.
B, Tăng điện trở của ampe kế.
C, Tăng tốc độ dịch chuyển của nam châm.
D, Sử dụng nam châm có từ trường mạnh hơn.
Tăng số vòng của cuộn dây, tăng tốc độ dịch chuyển của nam châm, sử dụng nam châm có từ trường mạnh hơn là các cách làm thay đổi từ thông biến thiên qua khung dây nên tăng điện trở của ampe kế không làm tăng số chỉ của ampe kế
Chọn B Đáp án: B
Chọn B Đáp án: B
Câu 12 [709762]: Sóng điện từ có bước sóng 2 m truyền trong chân không với tốc độ 3.108 m/s thì có tần số là
A, 600 MHz.
B, 150 MHz.
C, 150 kHz.
D, 600 kHz.
Sóng điện từ có bước sóng 2 m truyền trong chân không với tốc độ 3.108 m/s thì có tần số là 
Chọn B Đáp án: B

Chọn B Đáp án: B
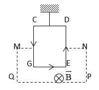
Câu 13 [709763]: Một khung dây CDEG được treo bằng 1 sợi dây dẻo không trọng lượng được đặt trong từ trường đều giới hạn bởi MNPQ. Cạnh EG nằm trong vùng có từ trường như hình vẽ. Cho B = 0,3 T; I = 3 A; EG = 10 cm. Khối lượng quả nặng cần treo vào EG để nó trở về vị trí cũ như khi chưa đặt vào từ trường
A, 90 g.
B, 900 g.
C, 0,9 g.
D, 9 g.
Để khung dây trở về vị trí cũ khi chưa có từ trường thì lực từ tác dụng vào dây phải có độ lớn bằng với độ lớn trọng lực tác dụng vào quả nặng.
Ta có:
Khối lượng quả nặng là 
Chọn D Đáp án: D
Ta có:

Khối lượng quả nặng là 
Chọn D Đáp án: D
Câu 14 [709764]: Một máy biến áp lí tưởng có hai cuộn dây D1 và D2. Khi mắc hai đầu cuộn D1 vào điện áp xoay chiều có giá trị hiệu dụng U thì điện áp hiệu dụng ở hai đầu của cuộn D2 để hở có giá trị là 8 V. Khi mắc hai đầu cuộn D2 vào điện áp xoay chiều có giá trị hiệu dụng U thì điện áp hiệu dụng ở hai đầu của cuộn D1 để hở có giá trị là 2 V. Giá trị U bằng
A, 8 V.
B, 16 V.
C, 4 V.
D, 6 V.
Ta có: 

Chọn C Đáp án: C


Chọn C Đáp án: C
Câu 15 [709765]: Hạt nhân
biến đổi thành hạt nhân
là do quá trình phóng xạ
biến đổi thành hạt nhân
là do quá trình phóng xạ A, 

B, 

C, 

D, 

Phương trình phóng xạ là: 
Hạt nhân
biến đổi thành hạt nhân
là do quá trình phóng xạ 
Chọn C Đáp án: C

Hạt nhân
biến đổi thành hạt nhân
là do quá trình phóng xạ 
Chọn C Đáp án: C
Câu 16 [709766]: Hạt nhân zirconium
có điện tích là
có điện tích là A, +40 e.
B, +50 e.
C, -40 e.
D, -50 e.
Hạt nhân zirconium
có điện tích là 
Chọn A Đáp án: A
có điện tích là 
Chọn A Đáp án: A

Câu 17 [709767]: Tính năng lượng liên kết của mỗi hạt nhân đồng vị đó.
A, 123,98 MeV và 136,19 MeV.
B, 123,98 MeV và 146,19 MeV.
C, 113,98 MeV và 136,19 MeV.
D, 123,98 MeV và 146,19 MeV.
Năng lượng liên kết của đồng vị
là 
Năng lượng liên kết của đồng vị
là 
Chọn A Đáp án: A
là 
Năng lượng liên kết của đồng vị
là 
Chọn A Đáp án: A
Câu 18 [709768]: Tính năng lượng liên kết riêng của mỗi hạt nhân đồng vị đó.
A, 6,75 MeV/nucleon và 7,57 MeV/nucleon.
B, 6,75 MeV/nucleon và 8,57 MeV/nucleon.
C, 7,75 MeV/nucleon và 8,57 MeV/nucleon.
D, 7,75 MeV/nucleon và 7,57 MeV/nucleon.
Năng lượng liên kết riêng của đồng vị
là 
Năng lượng liên kết riêng của đồng vị
là 
Chọn D Đáp án: D
là 
Năng lượng liên kết riêng của đồng vị
là 
Chọn D Đáp án: D
PHẦN II. Thí sinh trả lời từ câu 1 đến câu 4. Trong mỗi ý a), b), c), d) ở mỗi câu, thí sinh chọn đúng hoặc sai
Câu 19 [709769]: Cho một lượng nước vào một ấm đun có công suất P=1500 W. Cấp dòng điện xoay chiều cho ấm đun. Khi nước sôi, mở ấm đun để nước bay hơi ra ngoài làm khối lượng nước giảm dần. Tiếp tục cấp điện cho ấm đun, khi đó công của dòng điện chuyển thành nhiệt lượng làm nước hoá hơi. Gọi
là khối lượng nước bay hơi sau thời gian t , L là nhiệt hoá hơi riêng của nước ở nhiệt độ sôi. Trong các phát biểu sau đây, phát biểu nào đúng, phát biểu nào sai?
là khối lượng nước bay hơi sau thời gian t , L là nhiệt hoá hơi riêng của nước ở nhiệt độ sôi. Trong các phát biểu sau đây, phát biểu nào đúng, phát biểu nào sai?
a. Đúng.
b. Đúng. Nhiệt lượng nước thu vào để hóa hơi hoàn toàn:

c. Đúng.
d. Sai. Tổng nhiệt lượng cần cung cấp:

b. Đúng. Nhiệt lượng nước thu vào để hóa hơi hoàn toàn:


c. Đúng.
d. Sai. Tổng nhiệt lượng cần cung cấp:


Câu 20 [709770]: Một lốp xe ô tô chứa không khí ở nhiệt độ
và áp suất là
. Sau đó, người lái xe đậu xe trong một garage nóng, khiến nhiệt độ bên trong lốp tăng lên đến
. Coi lốp xe chứa khí lý tưởng và có thể tích cố định. Trong các phát biểu sau đây, phát biểu nào đúng, phát biểu nào sai?
và áp suất là
. Sau đó, người lái xe đậu xe trong một garage nóng, khiến nhiệt độ bên trong lốp tăng lên đến
. Coi lốp xe chứa khí lý tưởng và có thể tích cố định. Trong các phát biểu sau đây, phát biểu nào đúng, phát biểu nào sai?
a. Sai. Vì thể tích khí trong lốp xe không đổi và coi lốp xe chứa khí lí tưởng nên có thể áp dụng định luật quá trình biến đổi đẳng tích cho quá trình biến đổi trạng thái của khí trong lốp xe.
b. Đúng. Quá trình đẳng tích:
=> Áp suất khí bên trong lốp tăng thêm khoảng 13% hay tăng thêm lên 113%.
c. Đúng. Khi người lái xe đậu xe trong garage, áp suất không khí bên trong lốp là:
d. Đúng.
b. Đúng. Quá trình đẳng tích:

=> Áp suất khí bên trong lốp tăng thêm khoảng 13% hay tăng thêm lên 113%.
c. Đúng. Khi người lái xe đậu xe trong garage, áp suất không khí bên trong lốp là:

d. Đúng.
Câu 21 [709771]: Dịch chuyển cực Bắc của một thanh nam châm đến gần một cuộn dây như hình sau.
a. Đúng. Hiện tượng cảm ứng điện từ.
b. Đúng. Theo định luật Faraday về cảm ứng điện từ, suất điện động cảm ứng tỉ lệ với tốc độ thay đổi từ thông. Nam châm di chuyển nhanh hơn hoặc cuộn dây có nhiều vòng dây hơn sẽ làm tăng suất điện động cảm ứng.
c. Đúng. Cơ năng không hoàn toàn biến đổi thành điện năng. Một phần cơ năng biến đổi thành nhiệt năng do điện trở của dây và các hao phí khác.
d. Sai. Cuộn dây có xu hướng dịch chuyển sang phải, do dòng điện cảm ứng khiến mặt X của cuộn dây thành cực Bắc và chịu lực đẩy của cực Bắc của nam châm.
b. Đúng. Theo định luật Faraday về cảm ứng điện từ, suất điện động cảm ứng tỉ lệ với tốc độ thay đổi từ thông. Nam châm di chuyển nhanh hơn hoặc cuộn dây có nhiều vòng dây hơn sẽ làm tăng suất điện động cảm ứng.
c. Đúng. Cơ năng không hoàn toàn biến đổi thành điện năng. Một phần cơ năng biến đổi thành nhiệt năng do điện trở của dây và các hao phí khác.
d. Sai. Cuộn dây có xu hướng dịch chuyển sang phải, do dòng điện cảm ứng khiến mặt X của cuộn dây thành cực Bắc và chịu lực đẩy của cực Bắc của nam châm.
Câu 22 [709772]: Đồng vị phóng xạ
được sử dụng trong điều trị ung thư tuyến giáp có chu kì bán rã là
ngày. Một mẫu
nguyên chất mới sản xuất có khối lượng
. Cho biết: khối lượng mol nguyên tử của
là 131 g/mol; số Avogadro
. Trong các phát biểu sau đây, phát biểu nào đúng, phát biểu nào sai?
được sử dụng trong điều trị ung thư tuyến giáp có chu kì bán rã là
ngày. Một mẫu
nguyên chất mới sản xuất có khối lượng
. Cho biết: khối lượng mol nguyên tử của
là 131 g/mol; số Avogadro
. Trong các phát biểu sau đây, phát biểu nào đúng, phát biểu nào sai?
a. Đúng. Hằng số phóng xạ: 
b. Sai. Độ phóng xạ ban đầu của mẫu:
c. Sai. Độ phóng xạ của mẫu
sau
ngày là 
d. Đúng. Số hạt nhân đã bị phóng xạ:

b. Sai. Độ phóng xạ ban đầu của mẫu:

c. Sai. Độ phóng xạ của mẫu
sau
ngày là 
d. Đúng. Số hạt nhân đã bị phóng xạ:
PHẦN III. Thí sinh trả lời từ câu 1 đến câu 6.
Câu 23 [709773]: Một điện áp xoay chiều có giá trị điện áp cực đại là 100 V. Giá trị điện áp hiệu dụng có giá trị là bao nhiêu V? (làm tròn kết quả đến chữ số hàng đơn vị)
Giá trị điện áp hiệu dụng có giá trị là
Câu 24 [709774]: Hạt nhân
có khối lượng 7,0144 amu. Cho khối lượng của prôtôn và nơtron lần lượt là 1,0073 amu và 1,0087 amu. Độ hụt khối của hạt nhân
bằng x.10-2 amu. Giá trị của x là bao nhiêu? (làm tròn kết quả đến chữ số hàng phần trăm)
có khối lượng 7,0144 amu. Cho khối lượng của prôtôn và nơtron lần lượt là 1,0073 amu và 1,0087 amu. Độ hụt khối của hạt nhân
bằng x.10-2 amu. Giá trị của x là bao nhiêu? (làm tròn kết quả đến chữ số hàng phần trăm)
Độ hụt khối của hạt nhân
bằng
bằng
Câu 25 [709775]: Thang đo của một nhiệt kế chất lỏng trong thuỷ tinh là thang đo tuyến tính, nghĩa là độ dãn nở của cột chất lỏng dọc theo thang tỉ lệ thuận với độ tăng nhiệt độ. Một nhiệt kế như vậy có phạm vi đo từ -
đến
và có chiều dài thang đo tương ứng là 240 mm. Khi nhiệt độ của nhiệt kế tăng từ
đến
thì đầu cột chất lỏng trong ống dịch chuyển một đoạn bao nhiêu mm? (làm tròn kết quả đến chữ số hàng đơn vị)
đến
và có chiều dài thang đo tương ứng là 240 mm. Khi nhiệt độ của nhiệt kế tăng từ
đến
thì đầu cột chất lỏng trong ống dịch chuyển một đoạn bao nhiêu mm? (làm tròn kết quả đến chữ số hàng đơn vị)
Mối quan hệ giữa chiều dài thang đo và thang nhiệt độ là: 
Theo đề bài ta có:


Theo đề bài ta có:


Sử dụng các thông tin sau cho Câu 4 và Câu 5: Một bình lặn bằng nhôm chứa 11 lít không khí ở nhiệt độ 21°C và áp suất 105 Pa.
Câu 26 [709776]: Có bao nhiêu mol không khí trong bình (làm tròn kết quả đến chữ số hàng phần trăm)
Số mol khí trong bình:
Câu 27 [709777]: Biết khối lượng mol của không khí là 29 g/mol. Khối lượng không khí trong bình bằng bao nhiêu gam (làm tròn kết quả đến chữ số hàng đơn vị)?
Khối lượng không khí trong bình:
Câu 28 [709778]: Có hai bình cách nhiệt cùng đựng một chất lỏng nào đó. Một học sinh lần lượt múc từng ca chất lỏng ở bình I trút vào bình II và ghi lại nhiệt độ bình II khi có cân bằng nhiệt sau mỗi lần trút, được kết quả là: 10°; 15°; 18°. Coi lượng nước và nhiệt độ mỗi ca chất lỏng múc từ bình I trút vào bình II là như nhau. Bỏ qua sự trao đổi nhiệt với môi trường xung quanh. Nhiệt độ của chất lỏng ở bình I bằng bao nhiêu độ C?
Phương trình cân bằng nhiệt sau mỗi lần trút
(kg) nước từ bình I có nhiệt độ
sang bình II ban đầu có
(kg) nước có nhiệt độ ban đầu
:

Từ phương trình (**) và (***)

(kg) nước từ bình I có nhiệt độ
sang bình II ban đầu có
(kg) nước có nhiệt độ ban đầu
: 
Từ phương trình (**) và (***)

