=> Chọn A Đáp án: A
Thành phần thẳng đứng của hợp lực có độ lớn bằng

=> Chọn B Đáp án: B

Sắp xếp theo thứ tự giảm dần độ cứng của các lò xo là
.
.
.
.

=> Chọn B Đáp án: B

Một sợi dây khác được buộc vào điểm B và kéo nó căng ngang bằng một lực F. Nếu AB với phương thẳng đứng một góc θ thì lực căng của sợi dây AB là<
.
.
.
.
Chiếu theo phương ngang:

=> Chọn B Đáp án: B

Đồ thị biểu diễn đúng lực ma sát F do mặt phẳng nghiêng tác dụng lên vật theo góc θ là

Chiếu theo phương mặt phẳng nghiêng:

=> Khi
đồ thì có dạng đường thẳng đi qua gốc tọa độ do lực ma sát nghỉ và góc tỉ lệ thuận. Khi đạt tới góc nghiêng cực đại, vật trượt với lực ma sát không đổi.=> Chọn A Đáp án: A
Biết hệ số ma sát giữa vật và tường là 0,2. Trọng lượng của vật bằng

Chiếu theo phương ngang:

Chiếu theo phương thẳng đứng:

=> Chọn A
Đáp án: A Một khối gỗ, nằm trên bề mặt nhám của một tấm ván. Nâng dần một đầu của tấm ván lên cho đến khi khối gỗ trượt xuống với vận tốc không đổi.
Cho các mô tả về lực tác dụng lên khối gỗ khi chuyển động với tốc độ không đổi.
Mô tả đúng là
=> Chọn D Đáp án: D

Cho các biểu diễn bên dưới.

Biểu diễn nào sau đây là đúng về phương, chiều của hợp lực tác dụng lên xe?

=> Hợp lực F cùng chiều với vecto gia tốc a
=> Chọn A Đáp án: A

Nếu trọng lực tác dụng vào cuốn sách là lực tác dụng thì phản lực
nên phản lực tác dụng có cùng độ lớn W với trọng lực tác dụng và lực này từ bàn tác dụng vào cuốn sách.- Phản lực (Lực 2): Lực Trái Đất bị cuốn sách
hút.
- Độ lớn: Bằng W.
- Tác dụng vào: Trái Đất.
- Nguồn gốc: Từ cuốn sách
=> Chọn đáp án C Đáp án: C
so với hướng bắc chếch về phía Đông Bắc. Biết lực F2 tác dụng lên vật hướng về phía Bắc với độ lớn 5 N.
Lực F1 tác dụng lên vật có độ lớn bằng
và hướng về phía Đông Bắc.
và hướng về phía Đông.
Mà

và lực F1 hướng về phía Đông



=> Chọn C Đáp án: C

Sắp xếp đúng theo thứ tự tăng dần của gia tốc mà chiếc hộp thu được là
.
.
.
.
;
;
; 
Mà

=> Chọn D Đáp án: D

Tại thời điểm sợi dây bị cắt đứt, gia tốc của các vật A và B tương ứng là
và
. Biết
và gia tốc trọng trường là g. Kết luận nào sau đây là đúng về
và
?
và
.
và
.
và
.
.Vật A lúc đầu chịu tác dụng của lực căng dây hướng lên và hợp lực hướng xuống. Khi sợi dây bị cắt đứt, vật A chịu tác dụng của trọng lực và lực đàn hồi nên có gia tốc Có:
.=> Chọn B Đáp án: B
Biết rằng vật B có khối lượng lớn hơn khối lượng của vật A, chỉ có ma sát giữa bề mặt tiếp xúc giữa hai vật A và B, bỏ qua ma sát giữa vật B với mặt sàn. Kéo vật A bằng một lực F có độ lớn tăng dần theo thời gian. Gọi a1 và a2 tương ứng là gia tốc của các vật A và B. Trong các đồ thị bên dưới.

Đồ thị biểu diễn đúng sự thay đổi của a1 và a2 theo thời gian là
Ban đầu, lực F tác dụng lên A, nhưng do có ma sát với B, cả hai vật có thể chuyển động cùng nhau như một khối thống nhất.
Khi đó: a1=a2, và chúng cùng tăng dần theo thời gian do F tăng dần.
Giai đoạn 2: Khi lực F đủ lớn
Khi lực F tăng đến mức lớn hơn lực ma sát cực đại giữa A và B, A bắt đầu trượt trên B.
Lúc này, a1 tiếp tục tăng vì lực tác dụng trực tiếp vào nó nhưng tăng mạnh hơn do khối lượng lúc này chỉ còn của vật 1, trong khi a2 chỉ chịu tác dụng 1 phần lực tác dụng và ma sát với vật A nên vật B di chuyển với gia tốc a2 không đổi.
=> Chọn C Đáp án: C

Mô tả đúng là
=> Chọn A Đáp án: A
. Với g là gia tốc trọng trường, lực đẩy Archimedes tác dụng lên vật được xác định bởi
.
.
.
.
=> Chọn B Đáp án: B
Độ lớn lực ma sát tác dụng lên vật:

=> Chọn B Đáp án: B
- Điểm đặt: tại vị trí trùng với trọng tâm phần chất lỏng bị vật chiếm chỗ.
- Phương: thẳng đứng.
- Chiều: từ dưới lên trên.
- Độ lớn: bằng trọng lượng phần chất lỏng bị chiếm chỗ.
=> Chọn C Đáp án: C

=> Chọn D Đáp án: D

=> Chọn D Đáp án: D

Trong đó k là hằng số và g là gia tốc rơi tự do. Vận tốc của giọt mưa khi nó đạt tới giá trị không đổi là
.
.
.
.


=> Chọn C Đáp án: C

Cho các kết luận như sau:

Kết luận nào sau đây là đúng?
Khi quả bóng chuyển động với tốc độ không đổi, hợp lực tác dụng vào nó gần như bằng 0.
=> Chọn A Đáp án: A

Cho các phương án:

Phương án nào là đúng cho các đại lượng P, Q?
Lại có, vận tốc tỉ lệ nghịch với lực cản không khí.
=> Chọn C Đáp án: C

Chiếu theo phương thẳng đứng:

Chiếu theo phương ngang:


Mà phương trình (*) có nghĩa khi


=> Chọn A Đáp án: A

Hai khối A và B có khối lượng lần lượt là m1 và m2 được nối với nhau bằng một lò xo nhẹ trên một mặt bàn nằm ngang không ma sát. Lò xo bị kéo giãn khi di chuyển hai khối ra xa nhau. Tỉ số gia tốc của A và gia tốc của B tại thời điểm chúng được thả ra là bao nhiêu?



=> Chọn B Đáp án: B

Chiếu theo phương ngang:


=> Chọn C Đáp án: C
;
;
; 
Sợi dây có khả năng đứt đầu tiên là sợi dây có lực căng lớn nhất.
=> Chọn A Đáp án: A

Xe đẩy chuyển động có gia tốc:

=> Chọn C Đáp án: C






=> Vật chuyển động chậm dần đều với gia tốc a đến khi vận tốc bằng 0 sau đó chuyển động ngược chiều, nhanh dần đều với gia tốc a
=> Chọn A Đáp án: A
Áp dụng định luật II newton:


=> Gia tốc có hướng về phía bên phải
=> Chọn C Đáp án: C
=> Chọn D Đáp án: D
(1) Vận tốc của quả bóng giảm dần theo thời gian.
(2) Gia tốc của trường giảm dần theo thời gian.
(3) Quả bóng ngừng rơi sau 4 giây.
- Vận tốc của quả bóng tăng dần theo thời gian.
- Đồ thị biểu thị sự phụ thuộc của vận tốc vào thời gian có dạng là 1 nhánh parabol nên gia tốc của trường giảm dần theo thời gian.
- Quả bóng sau 4 giây vẫn còn tiếp tục chuyển động với vận tốc v.
=> Chọn B Đáp án: B

Hai khối A và B có khối lượng lần lượt là 1 kg và 1,5 kg nằm yên trên một mặt phẳng ngang nhẵn và được nối với nhau bằng một sợi dây. Chúng được kéo bởi một lực 10 N như hình vẽ. Các lực căng T1 và T2 là bao nhiêu?


=> Chọn B Đáp án: B

Mà


Chọn đáp án C Đáp án: C




=> Chọn B Đáp án: B

Ba vật có khối lượng bằng nhau được đặt trên một mặt phẳng ngang nhẵn như hình trên. Một lực không đổi F tác dụng vào khối A sao cho ba khối chuyển động về bên phải với cùng một gia tốc. Lực tổng hợp tác dụng vào khối B là
.
.
.
Lực tổng hợp tác dụng vào khối B có tác dụng làm khối B chuyển động với gia tốc a, áp dụng định luật II newton:

=> Chọn B Đáp án: B

Khi không tác dụng lực F:

Khi không có lực F, lực ma sát nghỉ sẽ chống lại xu hướng trượt của vật.
Nếu lực kéo xuống mặt phẳng nghiêng nhỏ hơn lực ma sát nghỉ tối đa (6 N), thì lực ma sát đủ để giữ vật đứng yên.
Vì khi không có lực F tác dụng, chỉ còn lực có độ lớn
, nên lực ma sát đủ để cân bằng lực kéo xuống mặt phẳng nghiêng.=> Chọn A Đáp án: A

Lực tổng hợp tác dụng vào khối A có tác dụng làm khối A chuyển động về phía bên phải, áp dụng định luật II newton:

Vật A chịu tác dụng trực tiếp lực F không đổi và lực cản của vật B. Lực tác dụng lên A bởi B là:

=> Chọn A Đáp án: A




=> Chọn B Đáp án: B

Khi dây đứt, vật Y rơi dưới tác dụng của trọng lực nên chuyển động nhanh dần đều với gia tốc 10 m/s2 còn vật X ban đầu chịu lực kéo F với gia tốc a, sau khi dây đứt, lực F mất đi, vật X sẽ tiếp tục chuyển động với vận tốc không đổi như vật tốc tại thời điểm dây đứt do hợp lực tác dụng lên nó lúc này bằng 0.
=> Chọn C Đáp án: C

Lực tổng hợp tác dụng vào khối A có tác dụng làm khối A chuyển động về phía bên phải, áp dụng định luật II newton:

Vật A chịu tác dụng trực tiếp lực F không đổi và lực căng dây. Lực căng dây là:

=> Chọn D Đáp án: D

Phương trình động lực học của vật X:


Phương trình động lực học của vật Y:


=> Chọn D Đáp án: D
Lực hãm trong 2 trường hợp là như nhau
Áp dụng công thức:
, khi dừng lại thì v =0
Th1:
Th2:
Chọn C Đáp án: C


Chọn C Đáp án: C

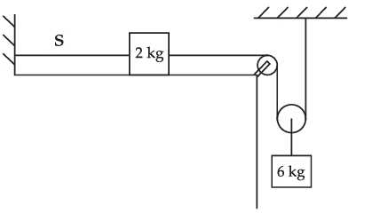
Hai vật được nối với nhau bằng một sợi dây nhẹ S đặt trên một mặt phẳng ngang nhẵn. Chúng chuyển động với gia tốc đều 2 m/s2 dưới tác dụng của lực F. Gia tốc của các vật sẽ là bao nhiêu nếu S đột nhiên bị đứt?
.+ Tổng khối lượng của hệ:
.+ Vì mặt sàn nhẵn (không có ma sát), theo định luật II Newton:

Khi dây
đứt, lực căng dây giữa hai vật biến mất. Chúng ta xét riêng từng vật: - Đối với vật
:+ Lực
vẫn tiếp tục tác động lên vật này. + Gia tốc mới của vật
là:
.- Đối với vật
:+ Lực kéo duy nhất trước đó tác động lên nó là lực căng của dây
.+ Khi dây đứt, không còn lực nào tác động lên vật theo phương ngang (do mặt sàn nhẵn).
+ Theo định luật I Newton, vật sẽ không còn gia tốc:
. (Vật sẽ chuyển động thẳng đều với vận tốc tại thời điểm dây đứt).Chọn A Đáp án: A

Một vật nằm yên trên mặt phẳng nghiêng như hình vẽ. Câu nào sau đây là đúng?
(1) Lực ma sát do mặt phẳng tác dụng lên vật bằng không.
(2). Phản lực do mặt phẳng nghiêng tác dụng lên khối là bằng không.
(3) Lực tổng hợp tác dụng vào khối bằng không.
- Trọng lực P =mg hướng thẳng xuống
- Phản lực N của mặt phẳng nghiêng, vuông góc với mặt phẳng.
- Lực ma sát nghỉ giữ cho vật không trượt xuống
Để vật đứng yên, phải có lực ma sát nghỉ cân bằng với P nên (1) sai.
- Vì vật nằm yên, nêm không bị lún xuống hay bay ra khỏi mặt phẳng, nghĩa là phản lực N phải cân bằng với Pn:
. Phản lực không thể bằng không trừ khi vật không tiếp xúc với mặt phẳng nên (2) sai- Theo định luật I Newton, nếu một vật đứng yên, tức là không có gia tốc thì tổng hợp các lực tác dụng lên vật phải bằng 0 nên (3) đúng.
Chọn B Đáp án: B
(1) Khối lượng của đồng xu và lông vũ giống hệt nhau trong chân không.
(2) Đồng xu và chiếc lông vũ rơi với cùng gia tốc trong chân không.
(3) Các lực tác dụng lên đồng xu và lông vũ trong chân không là giống hệt nhau.
(2) Trong chân không, mọi vật rơi với cùng gia tốc trọng trường g bất kể khối lượng hay hình dạng. Do đó, đồng xu và lông vũ rơi cùng gia tốc.
(3) Trong chân không, cả hai chỉ chịu trọng lực
, không có lực cản không khí. Do đó, các lực tác dụng lên đồng xu và lông vũ là giống nhau về bản chất (chỉ có trọng lực). Tuy nhiên, khối lượng của chúng khác nhau nên các lực tác dụng lên đồng xu và lông vũ trong chân không là khác nhau.=> Chọn B Đáp án: B
Khối lượng của một vật không thay đổi khi di chuyển đến các vị trí khác nhau trên Trái đất, vì nó là lượng vật chất của vật còn trọng lượng của một vật có thể thay đổi vì gia tốc trọng trường g thay đổi theo vị trí ( ở xích đạo, g nhỏ hơn một chút so với hai cực do Trái Đất không hoàn toàn là hình cầu, còn trên đỉnh núi cao, g nhỏ hơn so với mặt đất ở mực nước biển).
Chọn D

Xét các lực tác dụng lên oto hỏng. Vì oto chuyển động với vận tốc không đổi nên gia tốc bằng 0.
+) Theo định luật II Newton ta có:

Chọn trục oxy như hình vẽ.
+) Ta có:

Chọn đáp án B Đáp án: B


Để P ở trạng thái cân bằng thì




=> Chọn D Đáp án: D
(1) Một hành khách trên xe có xu hướng di chuyển về phía trước khi xe đột nhiên dừng lại.
(2) Một đồng xu và một chiếc lông vũ rơi với cùng gia tốc trong chân không.
(3) Khối lượng tối đa mà một phi hành gia có thể nâng trên Mặt Trăng lớn hơn trên Trái Đất.
(1) Một hành khách trên xe có xu hướng di chuyển về phía trước khi xe đột nhiên dừng lại: Khi xe đang chạy, hành khách cũng chuyển động cùng xe.Khi xe đột ngột dừng lại, phần thân dưới của hành khách bị dừng do ma sát với ghế, nhưng phần thân trên vẫn giữ chuyển động ban đầu do quán tính.
(2) Một đồng xu và một chiếc lông vũ rơi với cùng gia tốc trong chân không.: Hiện tượng này xảy ra do không có lực cản không khí trong chân không, nên mọi vật rơi với cùng gia tốc Đây liên quan đến định luật vạn vật hấp dẫn, không phải định luật thứ nhất của Newton.
(3) Khối lượng tối đa mà một phi hành gia có thể nâng trên Mặt Trăng lớn hơn trên Trái Đất.: Trên Mặt Trăng, gia tốc trọng trường nhỏ hơn Trái Đất nên trọng lượng của vật giảm, làm cho việc nâng vật trở nên dễ dàng hơn. Hiện tượng này liên quan đến trọng lượng và lực hấp dẫn, không phải định luật thứ nhất của Newton.
Chọn A Đáp án: A



=> Chọn C Đáp án: C

Momen của ngẫu lực trên có độ lớn bằng
.
.
.
.
=> Chọn C Đáp án: C

Trường hợp nào, cặp lực tác dụng vào vật tạo thành một ngẫu lực?
TH1: Hai lực F có độ lớn bằng nhau, ngược chiều, nhưng cùng đường tác dụng -> Loại
TH2: Hai lực có độ lớn F và 2F không bằng nhau -> Loại
TH3: Hai lực có độ lớn F và 2F không bằng nhau -> Loại
TH4: Hai lực F có độ lớn bằng nhau, ngược chiều, tác dụng trên hai đường thẳng song song ( thỏa mãn)
Chọn D Đáp án: D
Ngẫu lực có momen được xác định bằng công thức: M=F.d
Xét các trường hợp:
TH1: Hai lực 30N, có độ lớn bằng nhau, ngược chiều, khoảng cách vuông góc giữa hai lực là 2,0m. Momenngẫu lực :
M= F.d= 30.2 =60 N (Loại)
TH2: Hai lực 40N và 10N, không bằng nhau -> không phải ngẫu lực.
TH3: Hai lực 25N và 5N , không bằng nhau -> không phải ngẫu lực.
TH4: Hai lực 15N, có độ lớn bằng nhau, ngược chiều, khoảng cách vuông góc giữa hai lực là 2,0m. Momen ngẫu lực là:
M= F.d = 15.2=30N (thỏa mãn)
Chọn D

Một người đàn ông, trọng lượng 600 N đứng ở khoảng cách 4 m so với bệ X. Phản lực do bệ X tác dụng lên cầu có độ lớn bằng

Hệ ở trạng thái cân bằng, tổng momen tại điểm Y:


=> Chọn C Đáp án: C
Lực nào gây ra momen đối với điểm P là lớn nhất?
.
.
.
=> Chọn A Đáp án: A
Tổng hợp lực tác dụng lên thanh và tổng momen lực đối với trọng tâm của thanh có giá trị như thế nào?

Nhận định đúng là

Momen lực đối với trọng tâm của thanh:

Tổng momen lực đối với trọng tâm của thanh theo 1 chiều quay:

=> Chọn A Đáp án: A

Các lực 16 N và 20 N vuông góc với thanh tại các điểm X và Y, lực F tác dụng vào Z hợp với trục của thanh một góc 30o. Tổng momen của các lực tác dụng lên thanh đối với trục quay đi qua P có độ lớn bằng 6 N.m và cùng chiều kim đồng hồ.
Giá trị của F bằng

Tổng momen của các lực tác dụng lên thanh đối với trục quay đi qua P cùng chiều kim đồng hồ:


=> Chọn C
Đáp án: C
Để thước cân bằng thì phải treo trên thước một vật khối lượng 50 g tại điểm cách thước một khoảng



=> Chọn A Đáp án: A
Sử dụng dữ kiện sau trả lời câu 60, câu 61, câu 62



=> Chọn B Đáp án: B

=> Chọn A Đáp án: A



Có:

=> Chọn A
Đáp án: A
Sử dụng dữ kiện sau trả lời câu 63, câu 64, câu 65

Phương trình động lực học của vật:

Theo phương thẳng đứng:

Lực ma sát:

=> Chọn A Đáp án: A


=> Chọn B Đáp án: B

=> Chọn C Đáp án: C
Khi chưa đặt vật, gia tốc của xe:

Quãng đường xe đi được trong thời gian t:

Khi đặt vật, gia tốc của xe:

Quãng đường xe đi được trong thời gian t:

Chia (1) và (2) , ta có:

Theo phương ngang:

Tốc độ của xe đạt được ở cuối khoảng thời gian 15s:
Áp dụng định luật III Newton:



